- Charakterystyka źródła-Ziemi
Wnętrze Ziemi jest gorące z dwóch powodów: pozostałość po procesie formowania się planety oraz naturalny rozkład pierwiastków promieniotwórczych we wnętrzu Ziemi [56] .Wody geotermalne powstają w wyniku ogrzewania wód podziemnych przez magmę lub gorące skały. Temperatura zmienia się wraz z głębokością i bezpośrednio przy powierzchni rośnie o ok. 30 0C na każdym kilometrze. Ten przyrost temperatury, nazywany stopniem geotermicznym nie jest taki sam dla różnych rejonów geograficznych i może osiągać wartość znacznie mniejszą lub większą nawet do ok. 60 0C/km.
Budowa Ziemi
| Rys.27 Budowa wnętrza Ziemi[57]. |
Rysunek „Budowa Ziemi” pokazuje, że już 100 km pod powierzchnią Ziemi temperatura osiąga ok. 930 0C. Wody geotermalne występują na głębokości do kilku do kilkunastu kilometrów pod powierzchnią, jednak ich wydobycie jest ograniczone- dotychczas najgłębszy otwór sięga ok. 8 km wgłęb Ziemi, a wydobycie wód jest ekonomicznie opłacalne do 3 km wgłęb ziemi- tu temperatury osiągają do nawet 2000 stopni Celsjusza, gdzie woda występuje pod postacią gorącej pary. Energia geotermalna jest obecna praktycznie w każdym zakątku Ziemi.
Jednak jej wykorzystanie nie zawsze jest możliwe ze względu na skład chemiczny wody, problemy techniczne lub finansowe, pomimo iż potencjał geotermalny jest 380.000 razy większy niż całkowite roczne zużycie energii pierwotnej na świecie. Od temperatury zależy możliwość wykorzystania wód termicznych do różnych celów. Wody o bardzo wysokiej temperaturze, w postaci pary wykorzystywane są do produkcji elektryczności. Wody o niższej temperaturze stosuje się głównie do ogrzewania lub chłodzenia pomieszczeń, hodowli szklarniowej, oraz w kąpieliskach i balneologii. W przemyśle używa się wód geotermalnych do: produkcji papieru, pasteryzacji mleka, hodowli grzybów i ryb. W wielu krajach, gdzie wody geotermalne występuj ą obficie są one wykorzystywane bardzo intensywnie. Przykładowo w Islandii energia geotermalna pokrywa 46% całkowitego zapotrzebowania na energię i aż 85% zapotrzebowania na ogrzewanie pomieszczeń. Wody goetermalne uważane są powszechnie za odnawialne źródło energii. Jednak aby można było użyć takiego sformułowania musza być spełnione odpowiednie warunki użytkowania wód, tzn. woda po oddaniu ciepła musi być zatłaczana z powrotem, a tempo wydobycia i obniżania temperatury zbiornika nie powinno przekraczać szybkości ponownego ogrzania się wody we wnętrzu ziemi. Taki warunek spełniony jest wyłącznie w przypadku wód o bardzo wysokiej temperaturze.
- Technologie pozyskiwania
W zależności od rodzaju wykorzystania wód geotermalnych stosowane są różne elementy instalacji [62]. Ciąg technologiczny składa się zazwyczaj z:
- otworu geotermalnego,
- stacji pomp,
- wymienników ciepła,
- układu ciepłowniczego,
- dodatkowego układu grzewczego.
- Filtry
- Układy pomiaru szczelności układu.
Istnieją dwa obiegi cieczy w układzie, jeden zawiera wody geotermalne, drugi wodę ciepłowniczą, odzysk ciepła następuje w wymiennikach ciepła lub pompach absorpycjncyh. Zastosowanie takiego rozwiązania technologicznego jest konieczne ze względu na to, że wody termalne są zazwyczaj wysoce zmineralizowane a przez to korozyjne.
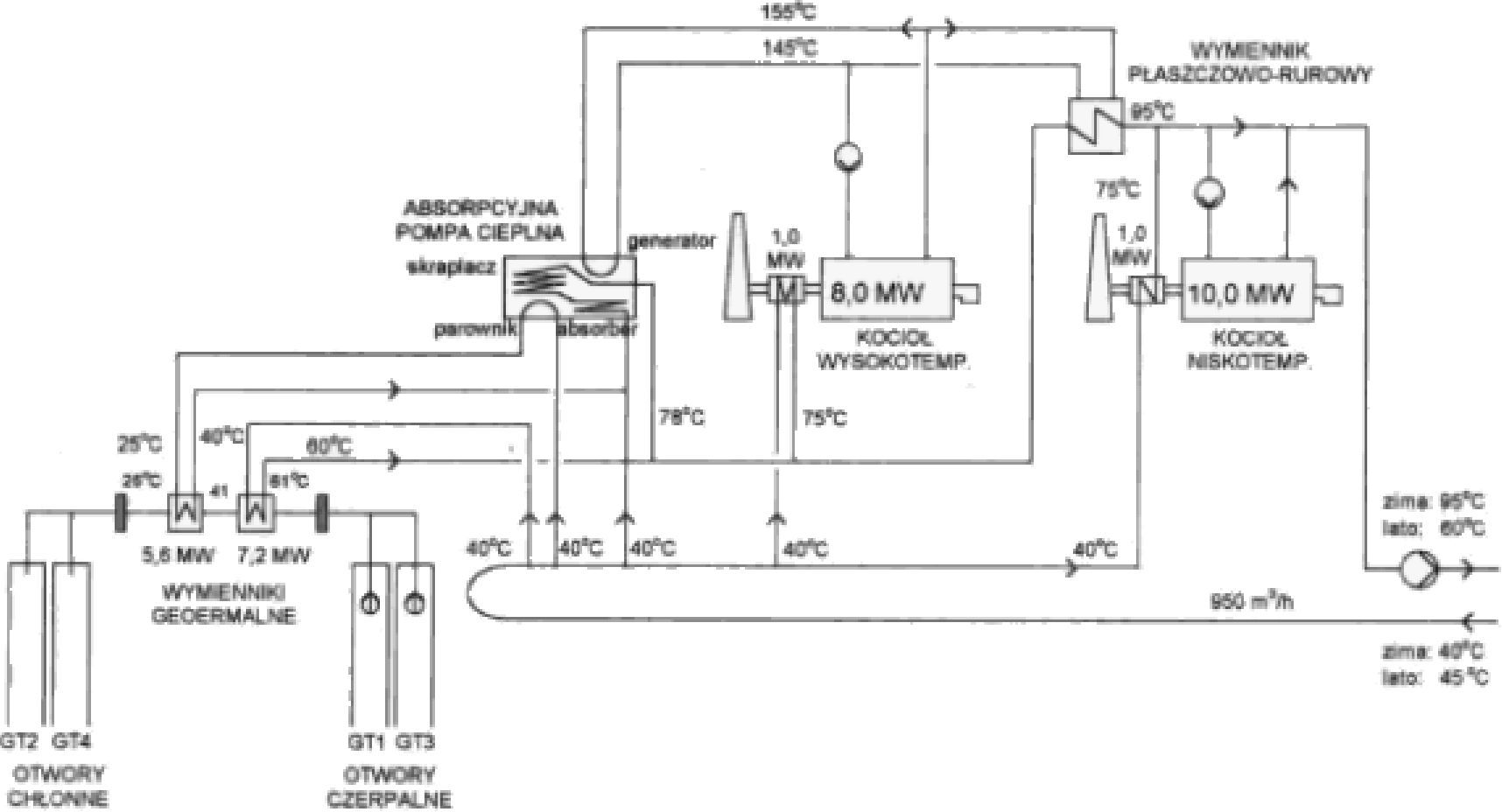
Po oddaniu ciepła do drugiego układu woda geotermlana jest zawracana z powrotem do złoża lub kierowana do kanalizacji. Wykorzystanie wód zależy od jej składu chemicznego, w przypadku kiedy skład chemiczny zbliżony jest do parametrów wody pitnej, wody geotermalne mogą być wykorzystywane bezpośrednio na potrzeby ciepłej wody użytkowej. Czym korzystniejsze parametry ciepłownicze (temperatura) tym większa jest zazwyczaj mineralizacja. Wysoką mineralizację wód można wyeliminować w dwojaki sposób: oczyszczaj ąc je na drodze chemicznej lub biologicznej lub zawracając z powrotem do złoża, w obu przypadkach wiąże się to ze zwiększonymi kosztami. Również ciśnienie wypływających wód ma duże znaczenie przy eksploatacji instalacji geotermalnej samoczynny wypływ pozwala na zredukowanie kosztów pompowania wody.Na schemacie poniżej przedstawiono instalację geotermalną w Pyrzycach/k. Szczecina
Schemal ciepłowni geotermalnej w Pyrzycach Rys.28 Ciepłownia geotermalna[59].
Ciepłownia geotermalna składa się z trzech głównych instalacji:
obiegu wody geotermalnej
obiegu wody sieciowej
obiegu wody wysokotemperaturowej
- Podsumowanie
Wody geotermalne znajdują się pod powierzchnią prawie 80% terytorium Polski. Pomimo tak licznego występowania ich eksploatacja , nie jest łatwa, przeszkodą są zarówno warunki wydobycia jak i ekonomiczna strona tego typu przedsięwzięcia . Wody te posiadają stosunkowo niską temperaturę do 80o C. Krajowe wykorzystanie tej energii jest bardzo znikome. Istniejące zakłady geotermalne mieszczą się w Pyrzycach k Szczecina i Bańskiej Niżnej k Zakopanego.
W najbliższym czasie planuje się dokończenie instalacji ogrzewania dla Zakopanego i Mszczonowa k Warszawy . Istnieją też plany wykorzystania wód termalnych w Uniejewie , Czarnkowie, Kole, Poddębicach.
Warto też wspomnieć o leczniczych właściwościach tych wód i funkcjonujących uzdrowiskach w Cieplicach ,Dusznik Zdrój , Lądek Zdrój itd.
Projekt koncepcyjny użytkowania odnawialnych źródeł energii w istniejącym gospodarstwie rolnym .
